Shop » Hydraulic Directional Valves » Manual control valves - 40L » Manual control valves - 40L DA » 1 section 40L pneumatically controlled hydraulic distributor

1 section 40L pneumatically controlled hydraulic distributor

55.00

SKU: Q40/1 + PNEUMAT Category:

Description

1 section 40L pneumatically controlled hydraulic distributor

Application:

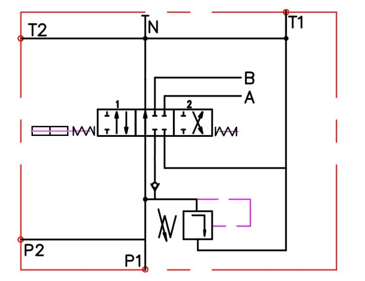
A distributor used in vehicles and machinery fitted with a pneumatic system equipped with a controller capable of controlling a hydraulic distributor.

Technical data:

Recommended oil flow rate in the hydraulic system: 0–40 l/min.

Example of control: double-acting cylinder.

Can be connected in series to an existing hydraulic system (pressure sleeve required).

Manual control:

Three-position lever (1 – 0 – 2), spring-loaded, i.e. returns to the vertical position automatically:

Position 0 neutral (lever in vertical position) – the cylinder piston rod is retracted – oil flows to the relief valve.

Position 1 working (lever in forward diagonal position) – the cylinder piston rod extends.

Position 2: working (lever set at an angle backwards) – the actuator piston rod retracts.

Pneumatic control:

Position 0: neutral (no pneumatic pressure at the ports) – the actuator piston rod is stationary – oil flows to the relief valve.

Operating position 1 (pneumatic pressure at port 1) – the actuator piston extends.

Operating position 2 (pneumatic pressure at port 2) – the actuator piston retracts.

Connections:

Supply from pump (P1, P2): 1/2″ BSP female thread

Return to tank (T1, T2): 1/2″ BSP female thread

Sections (A and B): 3/8″ BSP female thread

Series connection (N): 1/2″ BSP female thread

Pressure range:

Maximum supply pressure: 250 bar

Maximum return pressure: 50 bar

Maximum section pressure: 300 bar

The opening pressure of the relief valve increases proportionally with increasing flow rate:

180 bar at 10 l/min

190 bar at 20 l/min

200 bar at 30 l/min

210 bar at 40 l/min

Adjustable by the user; a full turn results in a 30 bar change.

Pneumatic system:

Connection:

Ports 1 and 2, internal thread in the body: BSP 1/8″

Pressure range:

Recommended air pressure 5–10 bar

Additional information

Weight3 kg