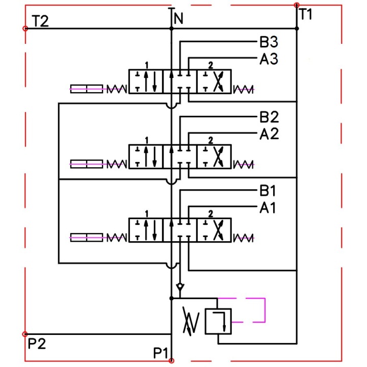
Description
3 sections 40L pneumatically controlled hydraulic distributor
Application:
A distributor used in vehicles and machinery fitted with a pneumatic system equipped with a controller capable of controlling a hydraulic distributor.
Technical data:
Recommended oil flow rate in the hydraulic system: 0–40 l/min.
Example of control: three double-acting cylinders.
Can be connected in series to an existing hydraulic system (pressure sleeve required).
Manual control:
Three-position lever (1 – 0 – 2), spring-loaded, i.e. returns to the vertical position automatically:
Position 0 neutral (lever in vertical position) – the cylinder piston rod is retracted – oil flows to the relief valve.
Position 1 working (lever in forward diagonal position) – the cylinder piston rod extends.
Position 2: working (lever set at an angle backwards) – the actuator piston rod retracts.
Pneumatic control:
Position 0: neutral (no pneumatic pressure at the ports) – the actuator piston rod is stationary – oil flows to the relief valve.
Operating position 1 (pneumatic pressure at port 1) – the actuator piston extends.
Operating position 2 (pneumatic pressure at port 2) – the actuator piston retracts.
Connections:
Supply from pump (P1, P2): 1/2″ BSP female thread
Return to tank (T1, T2): 1/2″ BSP female thread
Sections (A and B): 3/8″ BSP female thread
Series connection (N): 1/2″ BSP female thread
Pressure range:
Maximum supply pressure: 250 bar
Maximum return pressure: 50 bar
Maximum section pressure: 300 bar
The opening pressure of the relief valve increases proportionally with increasing flow rate:
180 bar at 10 l/min
190 bar at 20 l/min
200 bar at 30 l/min
210 bar at 40 l/min
Adjustable by the user; a full turn results in a 30 bar change.
Pneumatic system:
Connection:
Ports 1 and 2, internal thread in the body: BSP 1/8″
Pressure range:
Recommended air pressure 5–10 bar







