Beschreibung
3-teiliger Hydraulikverte iler P80, pneumatisch oder per Hebel betätigt 3 fach
Anwendung:
Der Verteiler wird in Fahrzeugen und Maschinen eingesetzt, die über ein pneumatisches System verfügen, das mit einer Steuerung ausgestattet ist, die den Hydraulikverteiler ansteuern kann.
Technische Daten:
Empfohlener Ölfluss im Hydrauliksystem: 0–80 l/min.
Beispielhafte Ansteuerung: drei doppeltwirkender Zylinder.
Möglichkeit des seriellen Anschlusses an ein bestehendes Hydrauliksystem (Druckbuchse erforderlich).
Manuelle Steuerung:
Dreistufiger Hebel (1 – 0 – 2), federbelastet, d. h. kehrt selbstständig in die vertikale Position zurück:
Position 0: Neutralstellung (Hebel senkrecht), die Kolbenstange des Zylinders steht still – das Öl fließt in den Überlauf.
Position 1: Arbeitsstellung (Hebel schräg nach vorne), die Kolbenstange des Zylinders fährt aus.
Position 2: Arbeitsstellung (Hebel in schräger Rückwärtsposition) – die Kolbenstange des Zylinders fährt ein.
Pneumatische Steuerung:
Position 0: Neutralstellung (kein Luftdruck an den Anschlüssen) – die Kolbenstange des Zylinders steht still – das Öl fließt in den Überlauf.
Betriebsposition 1 (Luftdruck am ersten Anschluss) – die Kolbenstange des Zylinders fährt aus.
Betriebsposition 2 (Luftdruck am zweiten Anschluss) – die Kolbenstange des Zylinders fährt ein.
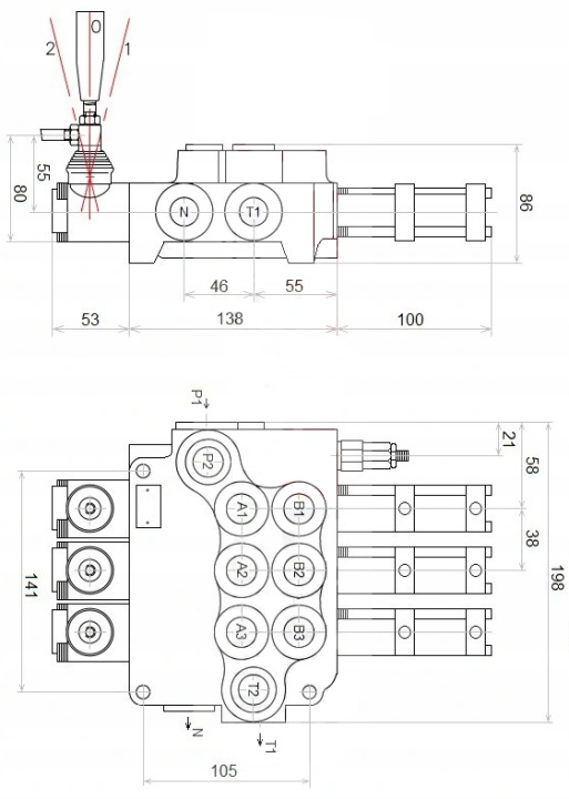
Anschlüsse:
Zufuhr von der Pumpe (P1, P2): BSP-Innengewinde 1/2“
Rücklauf zum Behälter (T1, T2): BSP-Innengewinde 3/4“
Sektionen (A und B): BSP-Innengewinde 1/2“
Reihenanschluss (N): BSP-Innengewinde 3/4″
Druckbereich:
Maximaler Druck am Zulauf: 250 bar
Maximaler Druck am Rücklauf: 50 bar
Maximaler Druck an den Sektionen: 300 bar
Der Öffnungsdruck des Überströmventils steigt proportional mit zunehmendem Durchfluss:
180 bar bei 20 l/min
190 bar bei 40 l/min
200 bar bei 60 l/min
210 bar bei 80 l/min
Manuell einstellbar, eine volle Umdrehung entspricht einer Änderung um 30 bar.
Pneumatiksystem:
Anschluss:
Anschlüsse 1 und 2, Innengewinde im Gehäuse: BSP 1/8″
Druckbereich:
Empfohlener Luftdruck 5 – 10 bar








