Description
Flow divider DFL 3-10L/min DFL 3-10 LPM VC1032
Application:
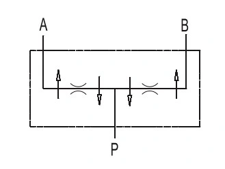
The flow divider divides the inlet oil flow (P) into two equal parts, A 50% and B 50% (tolerance 3%), regardless of flow and pressure changes. In the opposite direction, the flows are combined. Used in systems where the main oil flow needs to be divided into two smaller, independent flows or vice versa. In order for the divider to divide the oil evenly (with a tolerance of 3%), it is recommended to maintain the oil flow within the range recommended by the manufacturer. It is ideal for use when two identical actuators, operating independently, supplied from a single pump and controlled from a single distributor, must operate at the same rate. In most cases, the use of a simple tee is not sufficient. The valve also works well in systems where the main oil flow from the pump needs to be divided into two equal and independent flows from which two independent hydraulic systems can be created.
Connection:
Connect P to the supply line and A and B to the receivers.
Material: aluminium











