Description
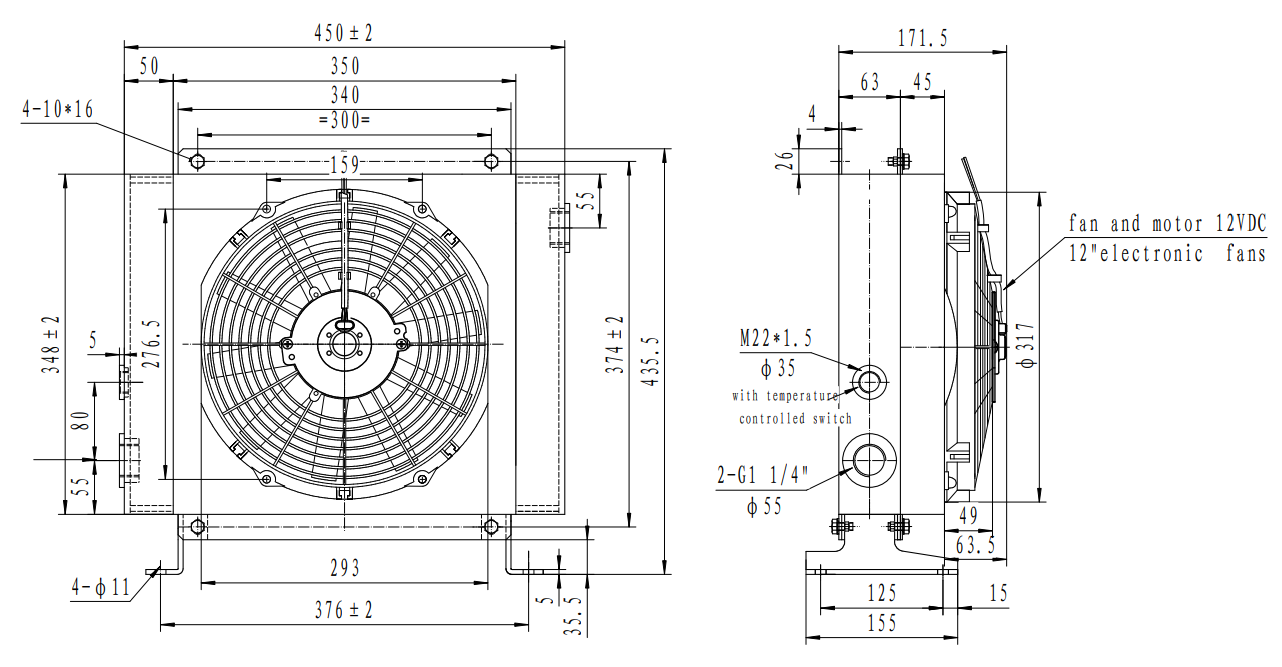
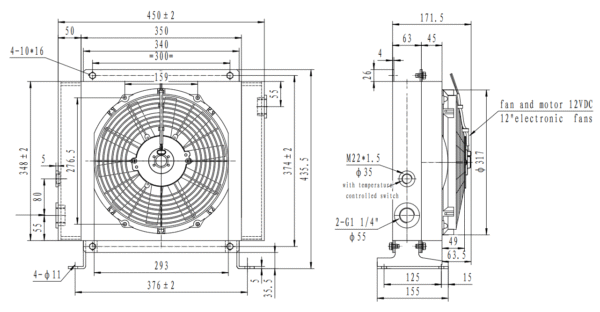
Hydraulic oil cooler with fan 200L/min 12V ST150 A46
Application:
For 12V systems, mounted on the return line. Designed for machines exposed to long-term and continuous operation, where oil overheating occurs. When installed in the system, it will lower the oil temperature, thus eliminating previous downtime. Lower oil temperature also means longer service life for the pump and other system components. Resistant to weather conditions, it can be installed in systems and machines operating outdoors.
Technical data:
Hydraulic ports: BSP 1 1/4″
Temperature sensor port: M22x1.5
Capacity: 1.5L
Voltage: 12V DC
Power: 0.175 kW
Fan diameter: 305 mm
Air flow: 2100 m3/h
Maximum oil flow in the system: 200 l/min
Maximum operating pressure: 15 bar
Tested at instantaneous pressure: 22.5 bar





